In the search for alternative energy sources, but at the same time, to protect the environment, contemporary governments have taken the decision to use the Sun as a great source of energy because it is infinite and inexhaustible . In Cuba, from the energy revolution motivated by Commander in Chief Fidel Castro Ruz, since the beginning of the last decade, a great effort is being developed in the development of systems for the use of solar energy, both for the direct heating, as in its conversion into electricity in solar photovoltaic panels. The importance of this issue is such today that it has been reflected in the guideline No. 253 of economic policy and Social Revolution drawn in the 6th Congress of the Communist Party of Cuba PCC (Partido Comunista de Cuba) (2011), in terms of the development of reliable and accurate systems to measure energy resources that the country has, with special relevance to solar energy.
In photovoltaic systems, it is essential to measure the efficiency of solar cells, since this lets to know how much power of solar radiation (W/m2) each of them absorbs, which also requires to know exactly, how much solar energy reaches each location per unit area in one second (Daniels, 1981). Then, the amount of solar energy and conversion into electric energy efficiency are the two fundamental parameters to measure and control in all photovoltaic solar energy system (Böer, 1979; Green, 1982; Alan et al., 1990; Bacus, 2001; Doherty y Malone, 2001; Ginley et al., 2008).
To better understand the essence of this work, it is convenient to wonder: what is solar energy? It is the radiant energy produced in the Sun, as a result of nuclear fusion reactions, which arrives on Earth through space in packets of energy called photons (light), that interact with the atmosphere and Earth surface. Life on Earth would not exist without the presence of the Sun (Kreith y Kreider, 1978; Iqbal, 1983; Manrique, 1984; Nelson, 2003; Espejo Marín, 2004). The planet would be too cold, plants do not grow or it would not have any life, except some bacteria. Energy resources come directly or indirectly from the Sun. Fossil fuels are plants and very old trees, which grew thanks to the sunlight and have been compressed over millions of years. Wind energy and hydraulics are generated through processes driven by the Sun. The fuel wood is obtained from trees, which could not grow without sunlight (Kreith y Kreider, 1978; Böer, 1979; Daniels, 1981; Espejo Marín, 2004; Berri, 2014). The conversion of solar radiation into electrical energy is done by means of photovoltaic cells (Bacus, 2001; Doherty y Malone, 2001; Ginley et al., 2008).
The efficiency of solar cells is crucial to reduce the costs of PV systems, since their production is the most expensive of the whole system. (Iqbal, 1983).The photovoltaic effect occurs when the solar cell material (silicon or other semiconductor material) absorbs part of the photons from the Sun. Then, the absorbed photon liberates an electron, which is located in the interior of the cell. The efficiency of the cell is really the relationship between the amount of electrons released to electrical conduction and the amount of photons of light that reach the cell and it is called internal quantum efficiency (Böer, 1979; Harper, 2000; Doherty y Malone, 2001; Bahnemann, 2004; Berri, 2014).
Hence, it is clear that it is necessary to measure with precision and reliability, energy efficiency and electric power delivered solar panels for each specific application.
Therefore, it is determined as problematic situations, the low utilization of solar energy in Cuba and the province, the ignorance of the basic parameters of the solar cells and its mode of use, the lack of measurements of energy variables solar, equipment and methodologies to measure solar energy and the efficiency of cells and solar panels (Kreith y Kreider, 1978; Espejo Marín, 2004; Meinel y Meinel, 2013; Berri, 2014).
Therefore, it is declared as a research problem: how to measure with precision and accuracy the energy efficiency of cells and solar panels?
As objective of research, it is defined to develop a system for measuring the energy efficiency of solar cells, to be used in the design and installation of photovoltaic panels for a rational and efficient use of solar energy.
The photovoltaic phenomenon is determined at atomic level, as a photon falls on the bond between two atoms and breaks it. To achieve that break in a link with little energy, it is necessary that the atom is unstable, that is, it has incomplete its valence band and the number of electrons there, is different from eight (Shah et al., 1999; Harper, 2000; Wolfgang, 2002; Würfel, 2005; Ginley et al., 2008). Materials that have this feature in their atoms are semiconductors (Boer y Bhattacharya, 1994). In a pure semiconductor current produced by the movement of electrons is negligible due to the low value of free carriers. Therefore, impurities are added to the material to increase the free carriers and the new material obtained is called extrinsic semiconductor. Light is composed of a set of electromagnetic radiation of high frequency, this range is called light spectrum (García y Boix, 1996; Shah et al., 1999; John y William, 2006; Meinel y Meinel, 2013).
The intensity of the radiation, or irradiance E, emitted by a blackbody is proportional to the absolute temperature raised to four, according to Stefan-Boltzmann law:
Where:
is the Stefan-Boltzmann constant. For gray bodies as the tungsten filament:
Where (T) is the emittance of tungsten, which is also a function of temperature.
Then, knowing the temperature of the filament, irradiance or luminous power radiated per unit area of the filament can be determined (in units of W/m2).
The measurement of the temperature of the filament is made indirectly, by measuring its resistance according to the temperature. For a tungsten filament, its resistance is related to the temperature according to the equation.
Where:
T is the temperature in degrees Celsius and the α and β, coefficients valid for Wolfram are α = 4.82 10-3 / K and β = 6.76 10-7 /K2 , respectively.
The resistance of the filament R (T) is calculated by applying Ohm's law, from the voltmeter and ammeter indications.
Clearing t and bearing in mind that the absolute temperature T of the filament is T = t + 273, it is obtained
And the resistance at 0 ° C is:
The emissivity of the filament is given by
the total irradiance as a function of temperature.
Then, the focus of reference used to check the calibration of the sensor used is displayed in Figure 1.
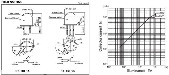
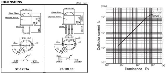
Figure 2 shows the used sensor for light intensity, formed by a phototransistor ST-1KL3A of the Korean firm Kodenchi.
Transistor scheme is presented in Figure 3 along with its collector current characteristic vs. illuminance.
Figure 3 shows the wiring diagram of the sensor used to be able to find the emissivity (W⁄m2) of the tungsten bulb. There is a phototransistor of reference ST-1KL3A and a commercial of 10KΩ of precision resistance (the resistance was measured in the equipment XJ2811C LCR METER and it resulted 9.991 KΩ). In parallel to that resistance, there is a commercial, ceramic capacitor of 103 (it was measured on the computer XJ2811C LCR METER and the measurement resulted 8.787 pF).
For this work, a solar cell of low power (Figure 4) was used. The selection was made according to the options available on the market and by selecting the best electrical properties. The parameters taken into account were, among others, power, maximum voltage, maximum current, etc.
The electrical characteristics of the cells are:
There are two servo motors used of series Towardpro MG9965 (Figure 5)
Specifications
Weight: 55 g
Dimensions: 40.7 x 19.7 x 42.9 mm approx.
Torque of shaft: 9.4 kgf•cm (4.8 V), 11 kgf•cm (6 V)
Operation speed: 0.17 s / 60th (4.8 V), 0.14 s / 60th (6 V)
Operating voltage: 4.8 V 7.2 V
Current range 500 mA--900 mA (6V)
Dead band width: 5 μs
Temperature range : 0 ° C - 55 ° C.
Arduino Mega 2560 (Figure 6)
Arduino Mega 2560 is an electronic plate based on the Atmega2560. It has 54- input / output digital pins (of which 15 can be used as PWM outputs), 16 analog inputs, 4 UARTs (serial doors), a 16 MHz oscillator, a USB connection, a connector from power, an ICSP header, and a reset button. It contains everything needed to support the microcontroller, simply by connecting it to a computer with a USB cable or power with an AC adapter or the battery to DC to start. Mega is compatible with most shields designed for the Arduino Duemilanove or Diecimila.
With the voltage and the current and applying Ohm's law (Equation 5), the resistance of the tungsten bulb can be determined.
Measuring of electric power in the photocell and knowing the area of solar cell, the efficiency of the solar cell can be determined by:
Applying the equation, the resistance of the filament of tungsten lamp in variation with temperature was determined. R0 = 3.17 Ω / ° C, room temperature was 28 ° C, the filament resistance measured in a RLC gave 3.6 Ω (Figures 7 y 8).
Figure 9 shows the graph obtained from voltage and current of tungsten bulb when the supply voltage is varied from 4 V to 12 V, in this case is linear.
From the equation of absolute temperature of the filament that is given in K, it may be related to power supplied by the illumination sensor that is located in the following figure. It is possible to observe, in an excellent correlation (R2 = 0.978) with the Stefan-Boltzmann law of a dependency with T4.
Figure 10 shows the assembly for the measurement of the solar cell efficiency, with the diagram to estimate the power that comes to it from the filament.
Luminous flux reaching the photoelectric cell is obtained from the equation of the vector intensity of the electric field as a function of the filament. This was correlated with the one obtained by measuring the photocurrent of the phototransistor and they are consistent with a 96% of coincidence between both measurements of the luminous flux in the cell. Then the maximum error in the measurement of irradiance and, therefore, of efficiency does not exceed 4%.
The following graph (Figure 11) shows the relationship between the electrical power delivered by the photocell and the illuminance received from tungsten filament:
Measuring of electric power in the photocell and knowing the area of solar cell, the efficiency of the solar cell can be determined, in the Figure 12 the efficiency of the cell is shown with the flow that reaches the cell.
Then with a maximum of 399,4 W/m2 irradiance, this cell has a conversion efficiency of light energy into electricity of 12.4%.
Regulated light sources with high precision tungsten incandescent lamps were developed, with power light controlled from 0 up to 400 W/m2.
Calibrated light radiation sensors were mounted in correspondence with light patterns sources developed, which allows obtaining a measurable response of photocells to luminous radiation.
Four solar cells of high quality were studied for which the following mean values were obtained: an open circuit voltage Voc = 4.6 V, a current intensity in the short circuit Isc of 87 mA, with an irradiation of 399.6 W/m2.
The efficiency of conversion of solar energy into electricity by solar cells was 12.4%.
























